Βιομηχανική κλειδαριά πόρτας ντουλαπιούείναι το βασικό προστατευτικό εξάρτημα του θαλάμου διανομής, του θαλάμου επικοινωνίας, του κιβωτίου ελέγχου και άλλου εξοπλισμού, το οποίο σχετίζεται άμεσα με την ασφάλεια των εσωτερικών ηλεκτρικών εξαρτημάτων και τη σταθερή λειτουργία του συστήματος.
Προκειμένου να ανταποκριθεί στις διαφοροποιημένες απαιτήσεις χρόνου παράδοσης και προδιαγραφών για διαφορετικά έργα, η εταιρεία μας διαθέτει πάντα πέντε τύπους κλειδαριών που χρησιμοποιούνται συνήθως --Long Bar Lock, Κλείδωμα πίνακα, Κλείδωμα ελέγχου ράβδου, Κλείδωμα λαβής,Περιστροφική κλειδαριά γλώσσας. Ταυτόχρονα, υποστηρίζουμε οποιαδήποτε μη τυποποιημένη κλειδαριά προσαρμοσμένη σύμφωνα με σχέδια ή δείγματα, η οποία είναι απολύτως κατάλληλη για όλα τα είδη μεταλλικών κουτιών διανομής.
Η κλειδαριά αεροπλάνου είναι ένας από τους πιο συνηθισμένους τύπους βιομηχανικών κλειδαριών πόρτας ντουλαπιών, τόσο όμορφες όσο και εύκολες στη συντήρηση. Η εταιρεία μας κυκλοφόρησε την κλειδαριά αεροπλάνου σειράς AB301, AB302, AB303, AB402, AB403, στη δομική αντοχή, την απόδοση προστασίας και την αίσθηση λειτουργίας του διαφοροποιημένου σχεδίου, μπορεί να πληροί τις διαφορετικές προδιαγραφές του κιβωτίου διανομής, τις απαιτήσεις εγκατάστασης ντουλαπιού ελέγχου.
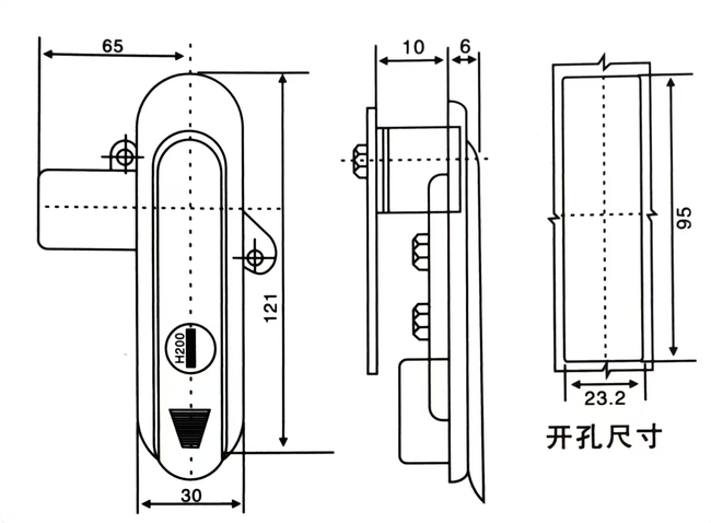
| Διαστάσεις | Αριθμός προϊόντος | |||||||
| L1 | L2 | L3 | Β1 | Β2 | Γκρι επιχρωμίωση | Γκρι χρώμα σε σπρέι | Επικαλυμμένη με μαύρη σκόνη | Βάρος (g) |
| 147 | 117 | 72 | 33 | 26.5 | ΑΒ301-1-1.2 | ΑΒ301-1-1.8 | AB301 | 370 |
| 120.5 | 95.5 | 65 | 30 | 23.5 | ΑΒ301-2-1.2 | ΑΒ301-2-1.8 | AB302 | 290 |
| 87.5 | 62.5 | 65 | 28.5 | 23.5 | ΑΒ301-3-1.2 | ΑΒ301-3-1.8 | AB303 | 215 |
Κύριο υλικό: κράμα ψευδάργυρου.
Επεξεργασία επιφάνειας: φωτεινό χρώμιο, ματ, μαύρο.
Λειτουργία και χρήση: Πραγματοποιήστε το άνοιγμα της αριστερής και δεξιάς πόρτας, εύκολο στη χρήση, με στεγανοποίηση και αδιάβροχη λειτουργία.
Κύριο υλικό: κράμα ψευδάργυρου.
Επεξεργασία επιφάνειας: φωτεινό χρώμιο, ματ, μαύρο.
Λειτουργία και χρήση: Πραγματοποιήστε το άνοιγμα της αριστερής και δεξιάς πόρτας, εύκολο στη χρήση, με στεγανοποίηση και αδιάβροχη λειτουργία.
Υλικό: σώμα κλειδαριάς από κράμα ψευδαργύρου, περιστρεφόμενος άξονας, μπουλόνι από γαλβανισμένο χάλυβα, πλάκα πίεσης.
Επεξεργασία επιφάνειας: ασημί γκρι νανο σπρέι.
Περιγραφή δομής: Περιστρέψτε 90 μοίρες για να ανοίξετε ή να κλειδώσετε.
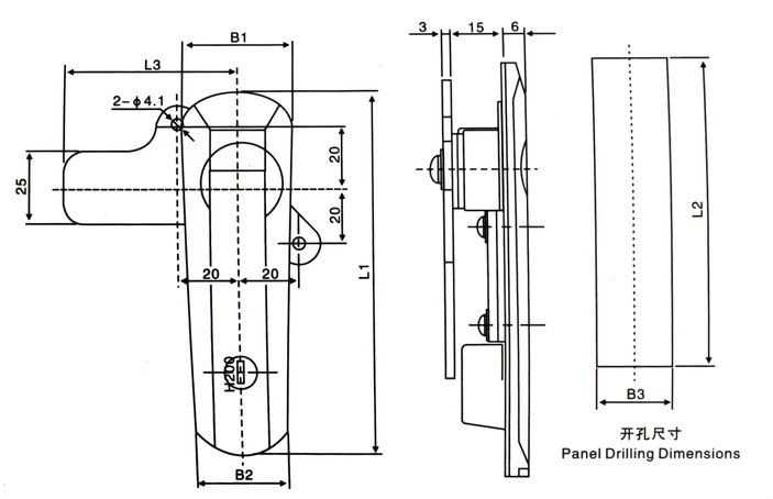
| ΜΟΝΤΕΛΟ | L1 | L2 | L3 | Β1 | Β2 | Β3 |
| ΝΕΟ AB402-A | 123 | 95.5 | 65 | 36.5 | 30 | 23.5 |
| ΝΕΟ AB403-A | 91 | 62.5 | 65 | 33 | 28.5 | 23.5 |
| ΝΕΟ AB401-A | 151 | 117 | 72 | 36 | 30 | 26.5 |
